Slike ne prikazuju uvijek samo točno odabrani proizvod, već i proizvode iz iste grupe u drugim izvedbama, na primjer:
- Proizvodi koji su dostupni u više dimenzija ili imaju definiranu orijentaciju prikazani su nasumično.
- Obratite pažnju na različite izvedbe proizvoda (različita snaga, oblik i dodatna oprema - obloga, masažni sustav, upravljanje...)
- Boje i detalji mogu se razlikovati ovisno o odabranoj izvedbi.
- Dodatni dijelovi i dekorativni predmeti na slikama nisu sastavni dio proizvoda, npr. ventili, kade, sifoni,... osim ako u nazivu nije navedeno da se radi o kompletu.
- Za točne specifikacije uvijek provjerite naziv proizvoda i cijeli opis, a u slučaju nejasnoća nas kontaktirajte.
Skupina proizvoda Terma radijatori, Spiro
Design stilski grijač tj. radijator za sušenje ručnika TERMA SPIRO je električni radijator manje snage, posebno dizajniran za grijanje ili sušenje ručnika u kupaonici i ostalog rublja.
Interaktivni 3D prikaz radijatora
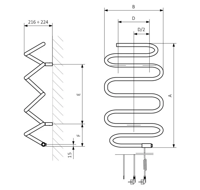
Dostupne dimenzije radijatora:
- visina 566, 794 ili 1062 mm
- širina 450 mm
- cijevi dimenzija fi 25 mm
Dostupne boje:
- sve standardne bojeRAL
- određene specijalne boje
- krom (extra doplata)
Standardne mogućnosti priključka:
- E7 električni priključak
Cijena vrijedi za osnovnu izvedbu radijatora u svim standardnim RAL bojama, uključeno s integriranim grijačem.
TERMA DESIGN radijatori dostupni su po narudžbi!
Prilikom narudžbe rado ćemo vam pomoći odabrati pravi radijator prema vašim željama (veličina, boja, način spajanja, grijači, ...)
Rok isporuke je 6-12 tjedana nakon uplate
- Izrada po mjeri kupca
- Odustajanje od narudžbe ili naknadna promjena nisu mogući
Sve slike su simbolične i prikazuju oblik radijatora u slučajnoj boji i dimenziji te svojstva jedne od opcija mogućih kombinacija. Priključni ventili i električni grijači te ostali dodaci (vješalice) obično su dostupni odvojeno i uz nadoplatu, a radijator uvijek uključuje dodatke za zidnu ugradnju. Podaci o snazi radijatora dati su za način rada 75/65/20.
U određenim slučajevima može se dogoditi da se proizvodnja radijatora odbije prema odabranim parametrima zbog tehničkih ograničenja u dimenzijama, nadogradnji, načinu spajanja, električnom grijaču i boji.
Skupinu predstavljaju sljedeći proizvodi:
Prodajna skupina Spiro je dio asortimana Terma radijatori / TERMA HEAT, koji je zastupan i sa:
Aero HGCity / ONEDelfin (H)Kioto / ONEMichelle*PLC VRibbon HWSRibbon VSherwood V / ETriga / E več ...
Niste sigurni, trebate pomoć?
Kontaktirajte nas, tu smo da odgovorimo na sva vaša pitanja.

Proizvođač / robna marka: TERMA HEAT
Od svog osnutka 1990. firma TERMA HEAT postala je jedan od lidera u proizvodnji kvalitetnih radijatora za kupaonice. Ističu se uglavnom zanimljivim rješenjima i iznimnom fleksibilnošću. Imaju širok izbor različitih oblika radijatora, a istovremeno ih nude u gotovo neograničenim kombinacijama boja kao dio osnovne cijene. Iznimka su samo krom i posebne boje za koje morate nešto dodatno platiti. Svi se proizvodi izrađuju po narudžbi, a tijekom proizvodnje imaju redovite preglede, uključujući i probni spoj. Pakirani su u kartonsku ambalažu u kombinaciji sa striroporeom, koji sprječava oštećenja tijekom transporta.
Na radijatore daju do 8 godina jamstva za vodonepropusnost i do 2 godine na grijaća tijela.
Ne propustite prostale video sadržaje na TERMA YouTube kanalu...
Dokumenti za više detalja:
Cijene vrijede do objave novog cjenika. Sav materijal je autorski i u vlasništvu proizvođača ili ovlaštenog partnera za pojedinu robnu grupu. Slike mogu biti simbolične, a dekorativni predmeti na slikama nisu uključeni u ponudu i ne mogu biti predmet narudžbe. Zadržavamo pravo na pogreške.

